
EM100系列变频器是针对用户这一普遍需求,由深圳市正弦电气股份有限公司自主研制推出的高可靠性、多功能型异步电机驱动器。它具有主辅频率给定、电机噪音调节、摆频运行、简易PLC运行、过程PID控制、内置ModBus通讯、支持变频器之间的主从通讯等多种功能。该产品稳定、可靠,可适应大多数小功率电机控制需要,并且安装方式灵活、易于使用。
功能特点
1.高可靠性
1.1 按IPD流程管理开发过程,提高了产品的可靠性
EM100变频器是正弦公司第一个严格按照IPD(集成产品开发)流程进行研发管理的系列产品。
EM100开发过程中的一些核心思想包括:
a)重视前期的产品需求收集,按市场需求设计产品,更好地满足客户的需求。
b)研发过程设立明确的阶段,各阶段设立评审点,加强过程的管理和评审点控制,提高产品的质量。
c)加强了单板测试、软件单元测试、系统整机测试工作,将产品问题充分暴露在公司内部。
d)采用公用构建模块(CBB:Common Building Blocks)提高了EM100变频器的开发效率。
e)采用跨部门的产品开发团队,通过有效的沟通、协作,在早期就充分考虑的产品的各方面工作,产品上市进度得以加快。
1.2 引入了热设计和热仿真工作
散热问题暴露在数字化样机阶段;
令产品内部热源分布均匀、合理;
大幅度提升了EM100产品的稳定性,并且提高了产品开发效率。
1.3 具备极强的环境适应性
EM100产品在硬件方面拥有完善的保护措施;
内部线路板均采用PCBA三防漆喷涂保护,驱动板一体化无跳线设计;
外部器件采用密封型加工工艺。
2.良好的性能
2.1 优化的控制算法
EM100变频器能租到 0.3秒50Hz正反转切换不过流、不过压;
1Hz启动转矩能达到150%;
优化的死区补偿、母线电压前馈技术,电流畸变小,电机噪音小。
3.易于使用
3.1 操作优化
常用菜单参数优先排列,优化了出厂参数,提高了易用性;
减少了用户的参数配置工作,降低了对操作者的要求;
人机交互操作键盘的设计选材上充分考虑其耐用性,持久性;
键盘操作区域标识清晰,模拟电位器输入,参数调节便捷灵敏;
密封型电位器,使用寿命长;
密封式簧片按键,操作精准,手感好。
3.2 多种安装方式,一把螺丝刀完成所有安装
EM100提供了三种安装方式:四角螺钉固定安装、螺钉挂式安装、导轨式安装;
同时支持“不降容并排安装”,有效节省安装空间与成本;
机器上有两处主功率接线标识,清晰的控制端子标识,减少了人为安装接线错误;
一把螺丝刀就能完成所有安装,方便了客户的安装工作;
为满足客户柜门安装,外引键盘的需求,EM100变频器还配备有附加安装组件——键盘安装托架。
3.3 内置制动单元、控制端子丰富
EM100变频器内置制动单元,仅需外接制动电阻,使用成本降低;
丰富的控制端子配置: 6路数字输入,2路数字输出(Y1和1个继电器);
2路模拟输入,1路模拟输出;
标配RS485通讯端子,支持Modbus协议。
3.4 便于日常维护
采用标准型号风机,不使用工具即可更换风机;
可以根据散热器温度,智能控制风机启停,有效延长了风机寿命。
型号及对应功率

技术参数


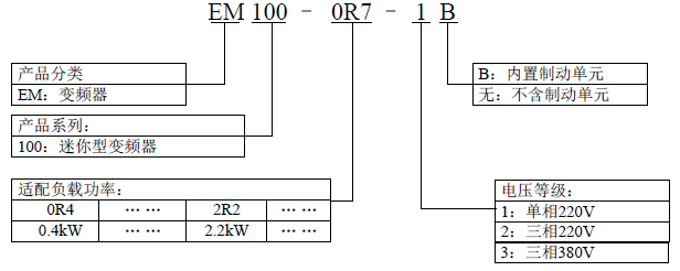
命名规则

外形尺寸和安装尺寸


外围设备连接图